13102000 ShowerTablet 350 Термостат , ВМ, хром
Термостатический смеситель для душа Hansgrohe ShowerTablet 350 — это немецкое качество и передовые технологии в вашей ванной комнате. Модель 13102000 создана для тех, кто ценит комфорт, безопасность и разумное потребление ресурсов. Установив этот термостат, вы навсегда забудете о скачках температуры и напора воды во время принятия душа.
Сердце устройства — высокоточный термостатический картридж, который мгновенно реагирует на изменения давления в системе и поддерживает заданную температуру с отклонением не более 0,5°C. Вы просто устанавливаете комфортное значение с помощью эргономичной металлической рукоятки, а умная электроника делает все остальное. Предохранительный ограничитель, фиксированный на отметке 40°C, защитит от случайного ожога, что особенно важно для семей с детьми. При необходимости максимальный порог температуры можно отрегулировать самостоятельно.
Hansgrohe ShowerTablet 350 оснащен интеллектуальной системой экономии воды EcoSmart. Встроенная кнопка EcoStop позволяет одним нажатием ограничить расход до экологичных 10 литров в минуту без потери комфорта ощущений. Дополнительную защиту и долговечность системе обеспечивают встроенный грязеулавливающий фильтр и клапан обратного тока воды, который предотвращает смешивание горячей и холодной воды в подводящих трубах.
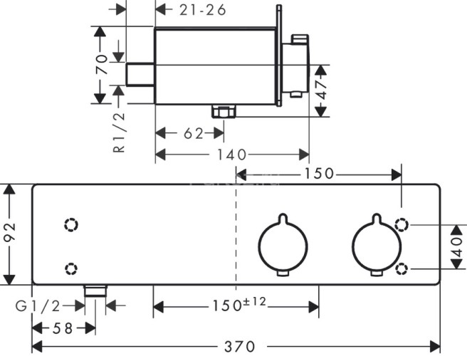
Монтаж смесителя выполняется на стену, межосевое расстояние для подключения составляет стандартные 150 мм с возможностью регулировки. Подводка — 1/2". Конструкция отличается продуманной эргономикой: полочка из анодированного алюминия и элегантная крышка из закаленного безопасного стекла создают стильную и практичную зону для банных принадлежностей. Технология шумопоглощения делает работу устройства практически бесшумной.
Ключевые преимущества термостата Hansgrohe ShowerTablet 350:
- Абсолютная стабильность температуры воды благодаря термостатическому картриджу.
- Повышенная безопасность: фиксированный ограничитель на 40°C и защита от обратного потока.
- Экономия воды до 60% с технологией EcoSmart и кнопкой EcoStop.
- Надежная фильтрация входящего потока для защиты механизмов.
- Прочный корпус из латуни с износостойким покрытием хром.
- Стильный дизайн с элементами из металла, алюминия и закаленного стекла.
- Производство — Германия. Официальная гарантия — 5 лет.
Это решение для одного потребителя, которое превращает ежедневные процедуры в момент наслаждения. Доставка доступна во все регионы. Выбирая Hansgrohe, вы инвестируете в безупречный комфорт на долгие годы.





































































































































































































































































































































